Дверные ручки и некоторые элементы автомобильных замков делают из пластика, поэтому они часто ломаются. Если поломка произошла только с одной стороны двери (внутри или снаружи), то чтобы её открыть достаточно воспользоваться другой рабочей. Но если сломались обе стороны или заблокировалась дверь в машине, как открыть ее – становится сложной задачей.
При поломке обеих автомобильных ручек открывания водительской или пассажирской двери, основная проблема в том, что для задействования механизма нужно снимать карту. А как ее то снять, если не открывается? Не знаете, – в статье есть описание 3-х методов как открыть, если заблокировалась дверь автомобиля и способ демонтажа механизма замка.

Много владельцев отечественных и китайских автомобилей наверняка не один месяц катаются со сломанными внутренними ручками, а то и наружными. Не так ли? Напишите в комментариях приходилось ли вам открывать дверь опустив стекло либо выходить на вторую сторону из-за того, что не хотелось устранять проблему!
Но, что делать когда дверь напрочь оказывается заблокированной? Тут может быть несколько вариантов в зависимости от ситуации. Рассмотрим все возможные.
Общие принципы работы замков и причины блокировки дверей
Поскольку ручки находятся на большом удалении от замка, то связываются с ним посредством жестких проволочных тяг или тросиков. Элементы, к которым эти тяги или тросики подходят, зачастую делаются из пластика, поэтому легко ломаются или изнашиваются. Соответственно, если сломалась сама ручка – для аварийного открытия двери нужно воздействовать на замок тросиком или тягой. Если отломился язычок на стороне замка – нужно шевелить то, что от него осталось.

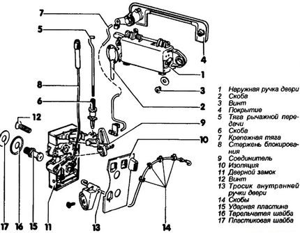
Конструкция стандартного дверного замка авто
Вторая причина, почему заблокировалась дверь, заключается в неисправностях замка. Это может быть:
- заклинивание элементов в замке;
- клин флажка (солдатика) блокировки замка;
- отказ системы ЦЗ.
Чаще всего водители становятся заложниками функции блокировки дверей от случайного открытия детьми. Когда переводят фиксатор, захлопывают и чтобы открыть, нужна рабочая наружная ручка, которая и сломалась...
Открыть дверь со сломанным замком гораздо сложнее, чем когда сломалась внутренняя ручка двери и наружная одновременно. Однако такое происходит нечасто и в любом из этих случаев необходимо снимать карту двери для дальнейшей работы с механизмом. Поэтому сначала рассмотрим как можно открыть дверцу или как убрать обшивку при закрытой двери, а затем уже как разблокировать замок.
Как открыть дверь машины если сломались ручки
Применимый вариант как открыть дверь машины: если сломалась ручка будет зависеть от того какую именно дверь нужно открывать переднюю либо заднюю. Помешать могут панель, спинка сиденья, особенность крепления запорного механизма. Чаще всего помогают два метода: открытие через уплотнитель стекла и снятие (полное или частичное) карты двери.
Как открыть крючком через уплотнитель

Так выглядит перемычка, которую мы поддеваем проволокой
Если сломалась ручка водительской двери, а другая тоже не работает, можно попробовать получить доступ к тяге замка вынув наружный уплотнитель стекла (если это возможно). Так часто делают при кражах!
Понадобится только жесткий отрезок проволоки или другой тонкий продолговатый предмет длиной около 30 см. Извлечь такую железку в полевых условиях можно, например, из щетки стеклоочистителя.
Порядок вскрытия такой:
- Вынимаем резиновый или пластиковый наружный молдинг-уплотнитель стекла. Обычно он снимается просто вверх, достаточно поддеть его снизу чем-то тонким и острым (ножом, отверткой и т. д.). Чтобы не повредить краску, можно обмотать инструмент скотчем, изолентой, пластырем.
- В появившуюся щель около 0,5 см между стеклом и наружной панелью двери светим фонариком, чтобы увидеть тяги управления замком. При возможности стоит поискать в интернете схему замков на вашей машине, чтобы понять, каким движением тяги осуществляется открытие.
- Изгибаем проволоку в форме Г-образного крючка.
- Заводим ее в щель между дверью и стеклом, чтобы крючком поддеть либо надавить на тягу или язычок, отвечающий за открытие двери.

Как открыть дверь на ВАЗ 2110 и других моделях через наружный молдинг-уплотнитель
Этот способ открыть дверь подходит во многих случаях, когда сломалась наружная ручка, но не всегда, есть и исключения. Если замок расположен ближе к салонной панели двери, или слишком низко, то открыть его таким способом снаружи может и не получиться. Тогда нужно попасть в салон через другую дверь и получать доступ к креплениям карты двери, дабы ее убрать и привести в действие механизм вручную. Так стоит действовать в ситуациях со сломанной внутренней и наружной ручками, а также при блокировке замка двери.
Как открыть дверь, разобрав дверную карту
Снятие дверной карты – наиболее универсальный способ действий. При заблокированной двери или из-за отказа замка добираться к креплениям бывает не просто.
В большинстве автомобилей обивка крепится на клипсах (также известных как пистоны и клопы), но кроме них могут быть и винты, которые расположены не только в ручке, но и внизу двери.
Как снять дверную карту если сломаны ручки?
Перед снятием обшивки обязательно поищите схему или видео разборки двери вашей машины, так как порядок схож для всех, но у разных моделей есть свои нюансы. Общий алгоритм действий такой:
- Снимаем «ракушку» ручки, которая зачастую сидит на одном винте и/или на защелках. Если после этого тут же откроется доступ к тяге или тросу и станет видно, что на ручке отломалась часть, которая воздействует на эту тягу или трос – можно сразу потянуть ее вручную и открыть дверь.
- Скручиваем верхушку солдатика блокировки замка (если есть) и выкручиваем видимые винты.
- Снимаем заглушки, накладки, ручку стеклоподъемника (на авто без ЭСП) или панель ЭСП, выкручиваем винты, к которым открылся доступ.
- Поддевая панель отверткой или другим продолговатым тонким предметом, отщелкиваем клипсы крепления дверной карты.
- Пытаемся снять карту или хотя бы отогнуть ее в той части, где расположен замок.
- Отклеиваем листы гидро- и шумоизоляции (если есть), чтобы проникнуть к замку через открывшиеся полости в основании дверей.
- Находим нужную тягу на замке и воздействуем на нее, чтобы открыть дверь.
- Меняем неисправные детали на новые или ремонтируем сломанные и собираем обшивку двери в обратном порядке.

Открытие двери со сломанной ручкой на китайских авто

Открытие задней заблокированой двери если оббивка снимается легко

Видео как открыть водительскую дверь если она заблокировалась
Как открыть заднюю дверь если она заблокировалась

Как можно снять обшивку задней двери если ее крепления внизу, а дверь не открывается
Если заблокировалась задняя дверь – открыть ее из салона можно тем же способом, что и переднюю. Нужно снимать карту и добраться до самого замка, его тяг или тросов, чтобы воздействовать на них и отпереть механизм.
Снимать обшивку задних дверей одновременно проще и сложнее, чем если сломался передний замок или ручка. Основную сложность создает задний диван, он часто препятствует доступу к крепежам. Для облегчения нередко нужно откидывать, отодвигать заднее сидение или снимать его.
Открытие задней двери через стекло
Если задняя дверь заблокировалась (например, включен флажок защиты от открытия детьми) и открыть ее не получается – можно проникнуть к тягам, опустив стекло. Такой способ работает на машинах, у которых заднее стекло можно опустить полностью, например, многих BMW (но не только). Порядок прост:

Как открыть заблокированную заднюю дверь на BMW
- Опускаем стекло до предела.
- Светим фонариком внутрь, чтобы обнаружить трос или тягу наружной ручки. Именно наружной, так как внутренняя блокируется механизмом защиты от детей.
- Нажимаем/поддеваем трос или тягу наружной ручки тонким продолговатым предметом.
- Открываем заднюю дверь.
Открытие задней двери с детским замком
Если задняя дверь не открывается, потому что наружная ручка двери сломалась, а как открыть – непонятно, потому что внутренняя заблокирована детским замком – можно попытаться открыть ее, поддев флажок блокировки. Для этого нужно:
- Взять тонкий продолговатый предмет.
- Просунуть его из салона между дверью и аркой в районе флажка.
- Поддеть флажок и сдвинуть в положение «открыто», надавив на него в нужном направлении.
Открытие замка воздействием на запорный механизм
Если у вас самый запущенный случай, например, оторвана тяга, сломан сам замок и т.д., то даже снятие карты не поможет при заблокированной задней двери. Тут можно попытаться воздействовать на запорный элемент непосредственно. Для этого нужно:
- Снять дверную карту (нужно не на всех машинах).
- Стянуть салонный уплотнитель двери.
- Добраться до зоны расположения запорного механизма, зацепляющегося со скобой в арке.
- Тонким продолговатым предметом надавить на язычок запорного механизма, чтобы открыть его.

Открытие замка на примере Лада Гранта. Подходит и для других моделей авто, если заблокировался замок. При этом на многих машинах необязательно даже снимать дверную обшивку: достаточно откинуть сиденье и убрать резиновый уплотнитель возле замка.

Аналогичный способ, как открыть замок, если сломалась ручка, на Opel Astra и многих других авто GM.
Как открыть заблокированную дверь, если карта не снимается (нет доступа к винтам)

Снятие карты с трудным доступом к нижним винтам
Часто добраться к нижним или боковым креплениям для снятия обшивки двери мешает порог либо сиденье. Это касается авто, где дверная карта дополнительно держится на нескольких винтах снизу, возле порога.
Если доступ к ним из салона сохраняется – добраться туда можно, двигая сиденье взад-вперед и откручивать шурупы самой короткой отверткой. Если сломалась ручка задней двери и диван перекрывает несколько крепежных элементов карты – его придется откинуть или снять. Также может понадобиться отгибание или снятие уплотнителя.
Частичное снятие карты для доступа к замку
На некоторых авто нижние крепежные винты дверной карты в закрытом состоянии перекрываются порогом и добраться к ним нельзя, даже если снять уплотнитель двери со стороны салона. Тогда нужно попытаться отодрать от двери хотя бы частично.
Если полностью карту не снять никак, придется действовать предельно аккуратно, пытаясь отогнуть обшивку только со стороны замка. Вам нужно:
- Открутить все доступные крепежи сверху карты, отщелкнуть клипсы.
- Отодвинуть дверную карту сверху, чтобы образовался зазор между ней и дверью.
- Проникнуть (рукой или посторонним предметом) в щель к тросам/тягам и воздействовать на отпирающую тягу, тросик или язычок.
После того, как замок откроется – можно будет нормально разобрать все полностью без риска сломать и получить доступ к внутренним деталям двери для ремонта или замены.
Снятие ответной скобы замка

Как открыть заблокированную переднюю дверь на “китайце”
В большинстве случаев ответная П-образная скоба замка устанавливается на стойке по ходу движения верхней частью («полкой» буквы П вперед). Но на некоторых моделях эта скоба стоит перпендикулярно («полка» смотрит наружу вбок) и к ее закладным можно добраться из салона, сняв обшивку средней стойки. Если ваш автомобиль относится к таким – можно:
- Снять обивку стойки, на которой установлена скоба.
- Через отверстие в стойке добраться к винтам, которыми крепится скоба.
- Высверлить винты или принудительно выкрутить, например, используя экстрактор для сломанных болтов.
- После того, как винты перестанут держать скобу, дверь откроется и можно получить доступ для ее нормального ремонта.
Как починить сломанную ручку двери автомобиля
Как правило ручки дверей на авто ломаются в месте сопряжения рычажка с тягой или тросом. Он пластиковый, поэтому при большом усилии запросто может треснуть. Чинить такую неисправность нет смысла, так как велик риск, что очень скоро вам снова придется думать, как открыть дверь, если сломалась ручка. Лучше сразу поставить новую деталь и забыть об этой проблеме.
Еще одна группа элементов, часто выходящих из строя – это соединительные клипсы тяг с ручками и замками, которые тоже сделаны из пластика. Они расшатываются, лопаются, после чего уже не могут держать тягу и передавать усилие. Поэтому, если сломалась не сама ручка, а пластмассовые уголки тяг, достаточно поменять только их. В продаже есть как подобные детали для конкретной модели, так и универсальные клипсы тяг замка. Подобрать среди них подходящие можно, предварительно замерив штангенциркулем размеры родных пластмассок и диаметр тяги.
Чем смазать замки дверей автомобиля
Установка подсветки логотипа в двери
Как открыть машину если сел аккумулятор
Не закрывается дверь автомобиля
Как открыть замерзший замок автомобиля
Смазка петель дверей